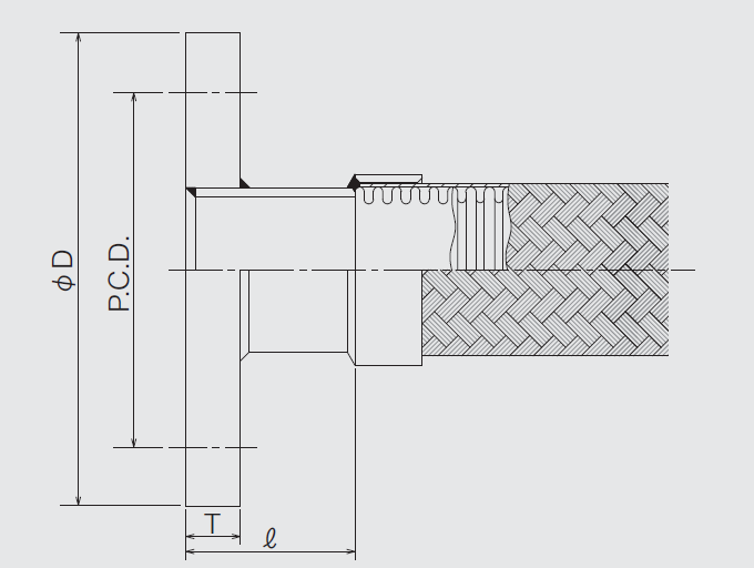
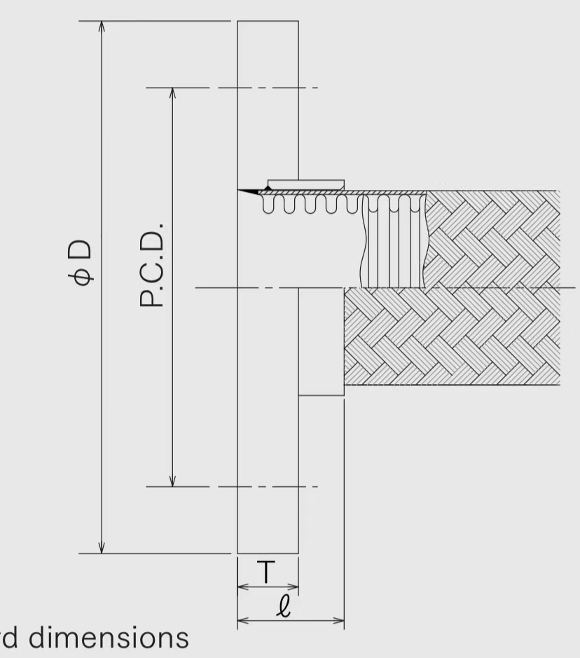
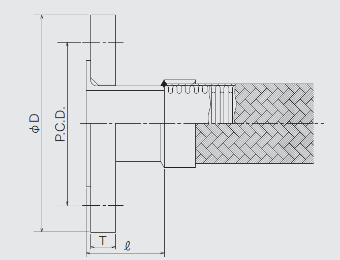
• 标准接头

    标准接头

    PA电子
    网站地图