不锈钢编织网套

产品中心 > 不锈钢编织网套 > 不锈钢编织网套

不锈钢编织网套

不锈钢编织网套是金属软管、波纹补偿器的基础配套产品,采用不锈钢丝编织而成,分为软态、硬态两个品种。

主要制作材质:304不锈钢  SUS304  

耐温范围一般在-50℃至300℃,常用于精自动化仪表信号管、自动化仪表电线保护管;精密光学尺线路、工业传感器、电子设备线路保护管;电器线路的安全防护、热工仪表毛细管的防护,精密机械仪器线缆保护。


What is braid?

The braid is made by weaving stainless steel wires or band plates on the periphery of a flexible hose .

The braid is used to prevent elongation of flexible hose under pressure and protect the flexible hose.

The braids are classified into three kinds,wire braid,tape braid and twilled braid, according to the material shape.


     不锈钢编织网套的特点      


柔软度好、防尘防锈、抗压抗拉抗磨损,并且提供优良的电磁屏蔽作用。不锈钢网套耐腐蚀,外形光洁美观,可耐高低温,延长管体的使用寿命,降低成本。

网套编织参数表(H02)


                   一般用途                      

          

不锈钢软管用于输送多种流体包括气态流体,如空气、蒸汽和气体,以及液体,如水、油和化学品。软管管道系统往复运动的功能,吸收管道的热膨胀、振动和稳定中心位置。

General purpose

Flexible hoses are used to transfer a wide range of fluids including gaseous fluids, such as air, steam and gases, and liquids, such as water, oils and chemicals. The hoses function for reciprocation of piping systems, absorption of thermal expansion and vibration and centering of piping.

Pipe Joint


Union Joint

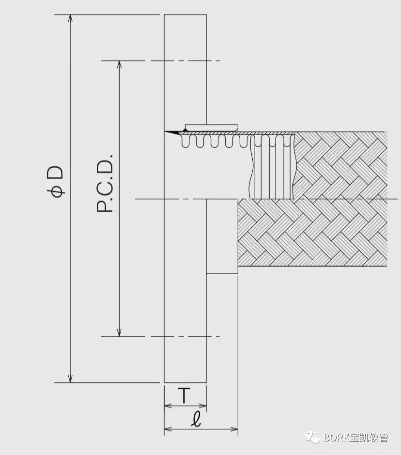
RX-04 固定法兰Fixed Flange

RX-03 松套法兰Floating Flange

中国船级社质量认证公司

质量管理体系认证:ISO9001

环境管理体系认证:ISO14001

本公司愿为您的事业发展助一臂之力,希望本公司的产品能得到您的厚爱。


PA电子
网站地图